

MS型埋刮板輸送機產品概述:
MS型埋刮板輸送機是一種在封閉的矩形斷面的殼體中,借助于運動著的刮板鏈條輸送粉狀、小顆粒狀、小塊狀等散料的連續輸送設備。因為在輸送物料時,刮板鏈條全埋在物料之中 ,故稱為“埋刮板輸送機”。
MS型埋刮板輸送機工作原理:
埋刮板輸送機在水平輸送時,物料受到刮板鏈條在運動方向的壓力及物料自身重量的作用,在物料間產生了內摩擦力。這種摩擦力保證了料層之間的穩定狀態,并足以克服物料在機槽中移動而產生的外摩擦力,使物料形成連續整體的料流而被輸送。
埋刮板輸送機在垂直提升時,物料受到刮板鏈條在運動方向的壓力,在物料中產生了橫方向的側面壓力,形成了物料的內摩擦力。同時由于下水平段的不斷給料,下部物料相繼對上部物料產生推移力。這種摩擦力和推移力足以克服物料在機槽中移動而產生的外摩擦阻力和物料自身的重量,使物料形成了連續整體的料流而被提升。
MS型埋刮板輸送機適用范圍:
MS型埋刮板輸送機可輸送的物料舉例:煤粉、碎煤、煙灰、碳黑、碳酸氫銨、硫鐵礦粉、氯化銨、銅精礦粉、氧化鋁粉、石膏粉、石灰石粉、蘇打粉、尿素、活性碳、氯化鈉、硅酸鈣、石棉粉、合成樹脂、橡膠粉、電石、陶土、合成肥料、粉粒狀農藥、硫酸鋇、硫銨、純堿、粉粒狀醫藥、小麥、大豆、大米、糖、淀粉、碎木碳、木片、鋸末、聚乙烯醇合成洗滌劑、飛灰磷肥等等。
通用型埋刮板輸送機不適應輸送高溫的、有毒的、易爆易燃的、磨損性很強的、腐蝕性很強的、粘附性很強的、懸浮性很強的、流動性 好的、堅硬的和脆性很大又不希望被破碎的物料。有這些 性的物料需要采用埋刮板輸送機時,可設計為:耐高溫型、 型、耐磨型、全氣密型和防爆型等 殊機型,本公司可以給用戶訂做生產。
MS型埋刮板輸送機主要 點:
我公司生產的機型為通用型埋刮板輸送機,具有結構簡單,重量較輕,體積小,密封性好,安裝維修比較方便。它不但能水平輸送也能傾斜和垂直輸送;不但能單機輸送,而且能組合布置,串接輸送;能多點加料,也能多點卸料,工藝布置較為靈活。由于殼體封閉, 在輸送物料時可以 改善工作條件,防止環境污染。
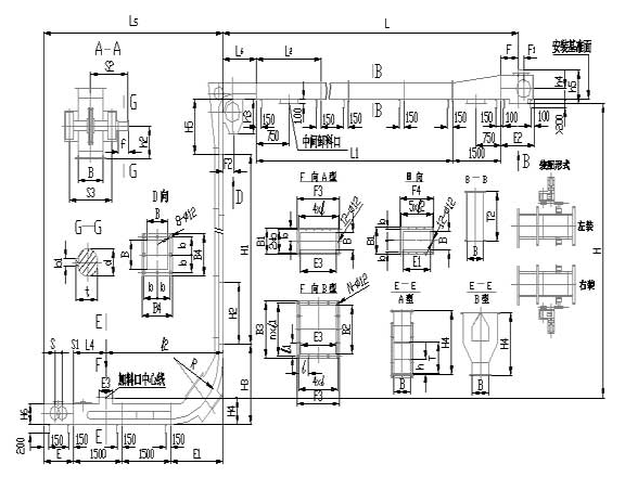
MS型埋刮板輸送機技術參數:
MS型埋刮板輸送機注意事項:
通用型埋刮板輸送機對所輸送的物料有下列要求:
1、物料容重:γ=0.2~1.8t/m3;
2、物料溫度:t<100°C;
3、含水率:對于一般物料,不得使物料用手捏成團后不易松散;對于含水率增加后會增大粘著性和壓結性,不能使物料嚴重粘附刮板。
粒度:物料的粒度與其硬度有關,粒度太大,則不宜輸送。對物料粒度的要求見下表:
|
傳動型式
|
功率范圍(kw) |
備注 |
|
彈性聯軸器直接傳動 |
2.2~37 |
功率≤200kw時電壓為380V
|
|
Y系列電機加液力偶合器 |
45~315 |
|
|
電動滾筒直接傳動 |
2.2~55 |
|
| 繞線式電機 | 220~800 |
有這些 性的物料需要采用埋刮板輸送機時,可設計為:耐高溫型、 型、耐磨型、全氣密型和防爆型等 殊機型,本公司可以生產。
水平型埋刮板輸送機有普通型和大傾斜型之分,普通型的安裝傾角0°≤α≤15°,大傾斜型的安裝傾角為15°<α<30°。
|
型號
|
B
|
B1
|
B2
|
B3
|
B4
|
b
|
c
|
d
|
|
MS32
|
320
|
800
|
420
|
495
|
900
|
32
|
130
|
110
|
|
MS40
|
400
|
890
|
500
|
578
|
990
|
36
|
150
|
130
|
|
型 號
|
H
|
H1
|
H2
|
J
|
J1
|
L(m)
|
||
|
MS32
|
572.5
|
723
|
820
|
670
|
570
|
6.65-78.15
|
||
|
MS40
|
612.5
|
763
|
860
|
800
|
700
|
|||
|
型 號
|
L0(m)
|
L1(m)
|
L2
|
|||||
|
MS32
|
8.33-79.83
|
2-73.5
|
800,1500,2000
|
|||||
|
MS40
|
||||||||
|
型 號
|
l
|
nxl1
|
l2
|
N
|
N1
|
t
|
||
|
MS32
|
130
|
4x160
|
145
|
14
|
20
|
116.5
|
||
|
MS40
|
156
|
5x154
|
160
|
16
|
22
|
137.2
|
||